社区论坛
社区活动
精华内容
付费帖子
社区版块
知识库
洞见集
深度解读
实战经验
案例分析
数据集
数据资源
多维表格
工具集
网址导航
技术曲线
教程集
内容变现
进阶玩法
常见问题
熵减榜
熵减岛智库
登录签到榜
发布
发布帖子
发布文章
创建话题
创建版块
开通会员
开通黄金会员
①全站资源折扣购买
②部分内容免费阅读
③支持发布付费内容
④分成比例达到90%
⑤优质内容免费推广
⑥独享浏览需求大厅
⑦专属黄金会员标识
⑧可发起沙龙等活动
开通黄金会员
开通会员 尊享会员权益
登录
注册
找回密码
快速登录
微信登录
社区论坛
社区活动
精华内容
付费帖子
社区版块
知识库
洞见集
深度解读
实战经验
案例分析
数据集
数据资源
多维表格
工具集
网址导航
技术曲线
教程集
内容变现
进阶玩法
常见问题
熵减榜
熵减岛智库
登录签到榜
开通会员 尊享会员权益
登录
注册
找回密码
快速登录
微信登录
分享
创建新版块
内岛
新型储能
帖子 34
互动 164
关注 2
两部委:到2030年,实现新型储能全面市场化发展;新型储能成为能源领域碳达峰碳中和的关键支撑之一。
3名版主
发布
全部
最新发布
最新回复
热门
精华
Ricky Wei
24天前更新
20次阅读
关注
私信
储能系统在不同场景下的优势分析-发电侧、电网侧、用户侧、共享/独立储能
储能知识
1. 发电侧 (1) 解决弃风弃光问题, 提高对电网友好特性。 随着新能源装机比例不断提高, 弃风弃光的问题将日益突出。 建设电源侧储能不仅可以有效解决弃风弃光问题, 提高新能源场站的经济效益, 还可以平滑新能源场站的出力,实现可调节、 可调度的输...
1
14
分享
Ricky Wei
26天前更新
32次阅读
关注
私信
抽水蓄能基础知识集丨②抽水蓄能电站主要建筑物及设备
储能知识
抽水蓄能电站主要建筑物及设备有上水库、 下水库, 输水发电系统, 发电厂房, 水泵水轮机、 开关站等。1、 上、 下水库 ...
1
5
分享
Ricky Wei
26天前更新
96次阅读
关注
私信
电化学储能基础知识集丨③ 主要设备
储能知识
完整的电化学储能系统主要由电池、 电池管理系统(BMS) 、 能量管理系统(EMS) 、 储能变流器(PCS) 以及其他电气设备...
11
11
分享
Ricky Wei
28天前更新
34次阅读
关注
私信
抽水蓄能基础知识集丨①抽水蓄能电站概述
储能知识
1.概述 抽水蓄能电站是指利用电力系统的富余电能从下水库向上水库抽水,将电能转换为水的势能储存起来,当电力系统需...
评分
12
分享
Ricky Wei
28天前更新
33次阅读
关注
私信
电化学储能基础知识集丨②系统方案
储能知识
1.拓扑结构(1)集中式 集中式储能系统是指低压大功率集中式升压并网储能系统,由电池多簇并联后与PCS相连,PCS采用大功率、高效率的产品。目前主流的集中式方案是直流侧并联1500V方案。与1000V储能系统相比,1500V储能系统能量密度和功率密度均有所提升,...
5
7
分享
Ricky Wei
28天前更新
50次阅读
关注
私信
电化学储能基础知识集丨①电池选型
储能知识
近年来, 电化学储能技术正朝着更高能量密度、 更低成本、 更好安全性和更长循环寿命的方向迈进。 在各类新型储能技术中,...
4
22
分享
OZEAN
36天前发布
24次阅读
关注
私信
除了电化学储能,还有哪些安全性还可以的储能技术和案例
如题,例如北京地区,对于安全问题比较重视,除了电化学储能技术外,是否还有其他具备安全性、经济性也还过得去的储能技术
评分
3
分享
莫问西东
1个月前更新
46次阅读
关注
私信
工信部PPT:新型储能技术发展路线图2025-2035
储能知识
该帖子部分内容已隐藏
付费阅读
¥
10
黄金会员
¥
8
登录购买
此内容为付费阅读,请付费后查看
1
4
分享
连康
1个月前更新
12次阅读
关注
私信
大储项目核心:能落地、稳收益、可投资
如今大储市场愈发规范,投资方核心关注项目能否落地、能否持续盈利。优质大储项目重点看三点:先研究电网布局,优选枢纽站、负荷集中、断面拥堵节点,保障储能调用效率;再结合新能源规划,布局在风光富集区或送出关键节点,收益更稳健;最后实地勘察土地,规...
评分
5
分享
连康
1个月前更新
43次阅读
关注
私信
已解决
容量电价具体怎么算?
114号文发布后,新型储能可以申请容量电价获得收益,但具体到项目上,一个400MWh的项目,多少容量能申报容量电价,执行期多少年,这部分收益在项目经济测算中具体怎么计算?
评分
7
分享
英子
1个月前发布
17次阅读
关注
私信
电改之后的工商业储能
请教一下各位大佬,现在电改政策相继出台,工商业储能的收益要怎么测算,有比较确定的方向吗?
评分
1
分享
郑悦
1个月前更新
22次阅读
关注
私信
北京有运行光伏储能的项目吗?
储能需要像光伏那样发改批吗?近日有看到北京发展储能的政策,也要推6个示范项目,具体是哪几个项目有了解的嘛?建筑储能安全问题如何解决?
评分
2
分享
熵篱
1个月前更新
54次阅读
关注
私信
精
新型储能,“新”在哪?
随着我国新能源装机跃升为主体能源,构建新型电力系统的核心挑战已从“如何发”转向“如何存与调”。传统抽水蓄能虽成熟,但受地理限制。在此背景下,“新型储能”被频频提及并写入国家政策,它究竟“新”在何处?个人认为,其“新”主要体现在技术路线、应用...
13
7
分享
文澜
2个月前发布
34次阅读
关注
私信
建立电网侧独立新型储能容量电价机制 新补偿机制的政策解读
绿电直连
1月30日,国家发改委、国家能源局印发《关于完善发电侧容量电价机制的通知》,文件明确:建立电网侧独立新型储能容量电价机制。对服务于电力系统安全运行、未参与配储的电网侧独立新型储能电站,各地可给予容量电价。容量电价水平以当地煤电容量电价标准为基...
评分
4
分享
momo
2个月前发布
19次阅读
关注
私信
我国不同储能技术路线的中长期发展趋势与市场格局
我国储能技术路线的发展趋势和市场格局会受到哪些政策因素的影响?长远来说,那种储能方式更具优势?电化学储能成本如何控制?
评分
3
分享
陈志华
2个月前发布
22次阅读
关注
私信
新型储能纳入全国性容量电价!深度解读容量电价机制新政
双碳政策研讨
1月27日,国家发改委、国家能源局发布《关于完善发电侧容量电价机制的通知》(发改价格〔2026〕114号),明确新型储能按照可靠容量获得容量电价。全国性容量电价政策发布,补齐了新型储能商业模式中缺失的最重要一角,极大利好整体行业的发展。 一、政策解读 11...
评分
5
分享
serphim-hu
2个月前更新
34次阅读
关注
私信
200MW/800MWh独立储能
双碳项目
项目概况规模:200MW/800MWh表示储能电站的功率为200兆瓦,储能容量为800兆瓦时,可满足大规模电力调节需求。应用场景:主要用于电网侧独立储能,通过“高吸低放”实现调峰填谷,优化电能质量,增强电网稳定性,尤其适用于新能源消纳需求高的地区。典型案例易...
评分
4
分享
祥子
2个月前发布
22次阅读
关注
私信
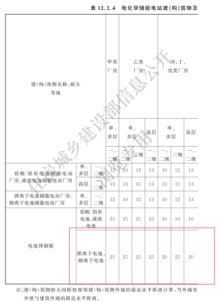
电化学储能电站设计标准新规范对储能设备布置间距的要求
GB/T 51048-2025 电化学储能电站设计标准,对磷酸铁锂储能设备布置间距要求如下:
评分
4
分享
明暗
2个月前发布
16次阅读
关注
私信
提问
未来10年,储能产品认证的发展趋势是怎样的?
欧盟电池法规
未来10年,储能产品的认证发展趋势是怎样的?
评分
2
分享
Mortal
2个月前发布
21次阅读
关注
私信
储能电站运维手册
以下是运维手册的核心要点,助您高效安全管理:系统组成与功能储能电站主要包括电池系统、储能变流器(PCS)、监控系统(EMS/BMS)及辅助设备(如配电柜、消防系统)。PCS实现能量双向流动,支持离网/并网模式,具备有功无功调节能力。监控与操作监控系统提供...
评分
回复
分享
加载更多
2人已关注
分享
创建新版块
新型储能
两部委:到2030年,实现新型储能全面市场化发展;新型储能成为能源领域碳达峰碳中和的关键支撑之一。
发布
关注
帖子
34
互动
164
阅读
967
本版版主
申请版主
岛主
超级版主
关注
熵篱
版主
关注
Ricky Wei
版主
关注
发布文章
创建话题
创建版块
发布帖子
在手机上浏览此页面
登录
没有账号?立即注册
手机号
验证码
发送验证码
记住登录
账号密码登录
登录
用户名/手机号/邮箱
登录密码
记住登录
找回密码
|
免密登录
登录
社交账号登录
微信登录
注册
已有账号,立即登录
设置用户名
手机号
验证码
发送验证码
设置密码
注册
扫码登录
使用
其它方式登录
或
注册
扫码登录