1. 标准概况
-
发布与实施:该标准于2025年8月20日发布并实施,适用于各类产业园区的零碳创建与评价工作。
-
核心目的:建立一套统一的零碳园区量化评价体系,引导园区通过技术创新和管理优化实现碳中和。
2. 创建要求(第4章)
标准明确了园区在创建零碳园区过程中需满足的三大类要求:
-
总体要求:规定了园区创建的基本门槛和方向。
-
建设要求:涉及基础设施、能源系统等硬件层面的具体建设规范。
-
扩展要求:鼓励园区在基础要求之上进行创新和更高水平的低碳实践。
3. 评价体系与方法(第5-6章)
标准建立了一套完整的评价流程和量化方法:
-
评价流程:规定了从申请、审核到最终评价的标准化程序。
-
评价量化方法:提供了具体的计算公式和数据获取方式,确保评价结果的客观性。
-
等级划分:根据综合得分对园区进行等级评定(如合格、银级、金级、铂金级等,具体等级名称需参考完整标准文本,目录中提及了“等级划分”)。
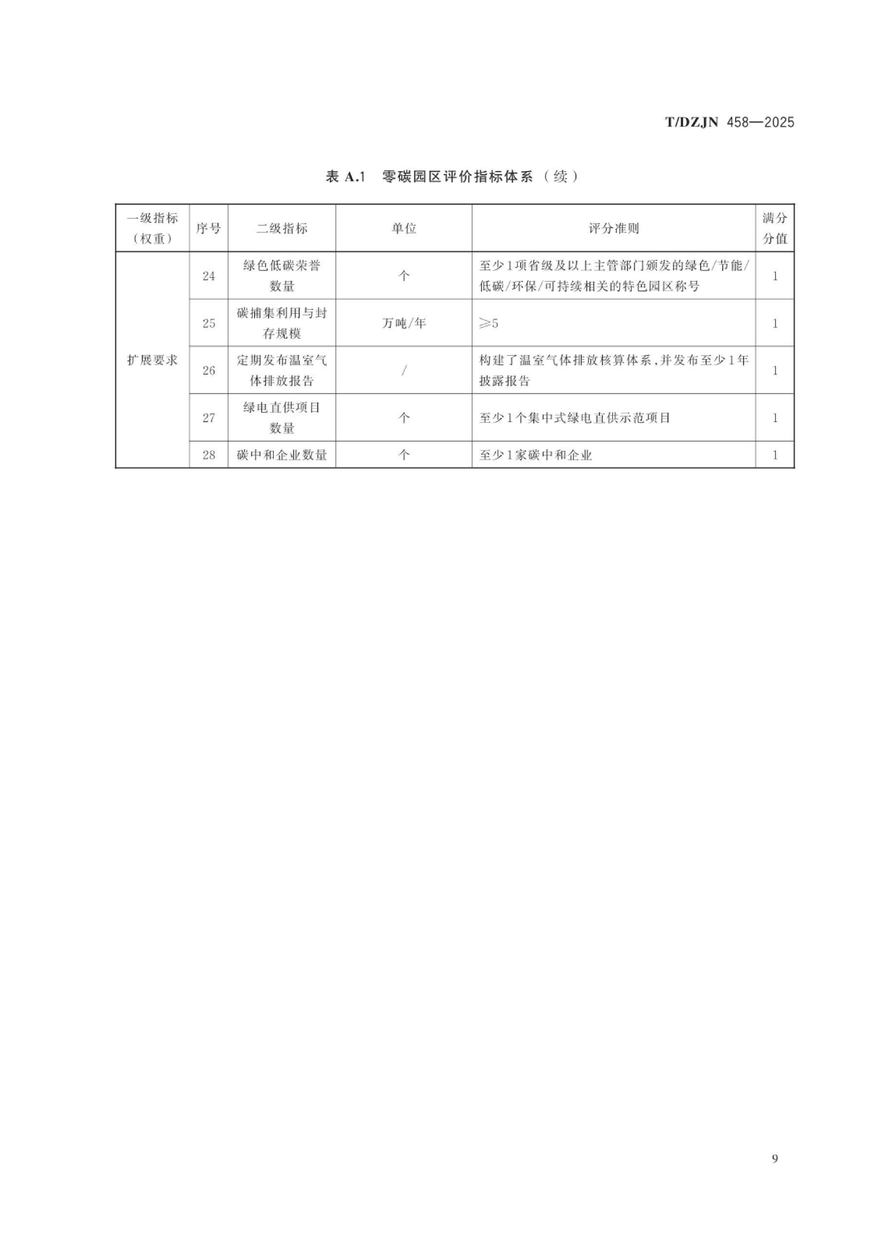
4. 核心评价指标体系(附录A & B)
标准构建了多维度的评价指标体系,涵盖能源、建筑、交通等关键领域。根据附录B的计算说明,核心指标包括:
-
建筑领域:
-
近零能耗建筑面积:园区内符合超低能耗和近零能耗标准的建筑面积总和。
-
建筑碳排放强度:单位建筑面积的二氧化碳排放量。
-
-
交通领域:
-
货物清洁运输比例:纯电动、氢能等绿色运输工具占货物运输总量的比例。
-
公共交通新能源比例:园区内公交、接驳车等新能源车辆的占比。
-
充电桩比例:公共停车场中配备充电桩的车位占比。
-
_1-scaled.jpg)
_2-scaled.jpg)
_3-scaled.jpg)
_4-scaled.jpg)
_5-scaled.jpg)
_6-scaled.jpg)
_7-scaled.jpg)
_8-scaled.jpg)
_9-scaled.jpg)
_10-scaled.jpg)
_11-scaled.jpg)
_12-scaled.jpg)
_13-scaled.jpg)
_14-scaled.jpg)
_15-scaled.jpg)
_16-scaled.jpg)
_17-scaled.jpg)







